Саморерессательный предел давления. Его основная функция состоит в том, чтобы обнаружить смещение или ход объекта для достижения открытия и закрытия цепей, начала и остановки оборудования или ограничения защиты. Это незаменимый «Страж безопасности» и «командир действий» в промышленной автоматизации и электромеханическом оборудовании.
Выключатель ВходUction
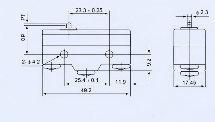
Переключатель движения (также известный как ограниченный переключатель) представляет собой автоматический компонент управления, запускаемый механическим движением. Его основная функция состоит в том, чтобы обнаружить смещение или ход объекта для достижения открытия и закрытия цепей, начала и остановки оборудования или ограничения защиты. Это незаменимый «Страж безопасности» и «командир действий» в промышленной автоматизации и электромеханическом оборудовании.
Выключатель Приложениене
Механизм подъема платформы режущей платформы комбинированного комбайна оснащен переключателем движения, который устанавливает «минимальную рабочую высоту» и «высоту транспортировки» платформы резки. Во время сбора урожая, если платформа резания опускается слишком низко (близко к земле, возможно, соскобая почву), переключатель запускается для управления гидравлической системой для повышения платформы резания; Во время транспортировки, когда платформа резания поднимается до самого высокого положения, переключатель запускается для блокировки высоты резки платформы, предотвращая встряхивание во время вождения. В ящике для семян сеялки переключатель движения обнаруживает уровень семян. Когда семена собираются закончиться, переключатель запускает устройство сигнализации, чтобы напомнить оператору добавить семена, предотвращая пропущенное посев.
Выключатель Подробности
