Являясь эталонной моделью серии микропереключателей Yueqing Tongda Wire Electric Factory, нормально разомкнутый микропереключатель с автоматическим сбросом для холодильников и электрических игрушек отличается «высокой чувствительностью, сверхдлительным сроком службы и адаптивностью к нескольким сценариям» в качестве своих основных преимуществ. Объединив 35-летний опыт компании в производстве переключателей, он стал ключевым компонентом управления в бытовой технике, автомобильной электронике, промышленной автоматизации и других областях благодаря минимальному зазору контактов и механизму быстрого действия. Его производительность и надежность были сертифицированы множеством авторитетных организаций по всему миру, что обеспечивает ему доминирующую позицию на нишевом рынке.
Введение в микропереключатель
Серия HK-14 предлагает очень гибкие возможности настройки для удовлетворения различных требований приложений. Рабочее усилие можно настроить по индивидуальному заказу (менее 5,0 Н в состоянии без рычага, стандартное значение 30±15 гс) с диапазоном рабочего хода 0,6–1,5 мм, подходящим для различных сценариев спускового усилия и смещения. Стили рычагов можно настраивать, включая прямые, изогнутые и роликовые рычаги, которые могут соответствовать различным конструкциям механической трансмиссии. Контактные формы охватывают весь спектр SPDT (1НО, 1НЗ), НО и НЗ.
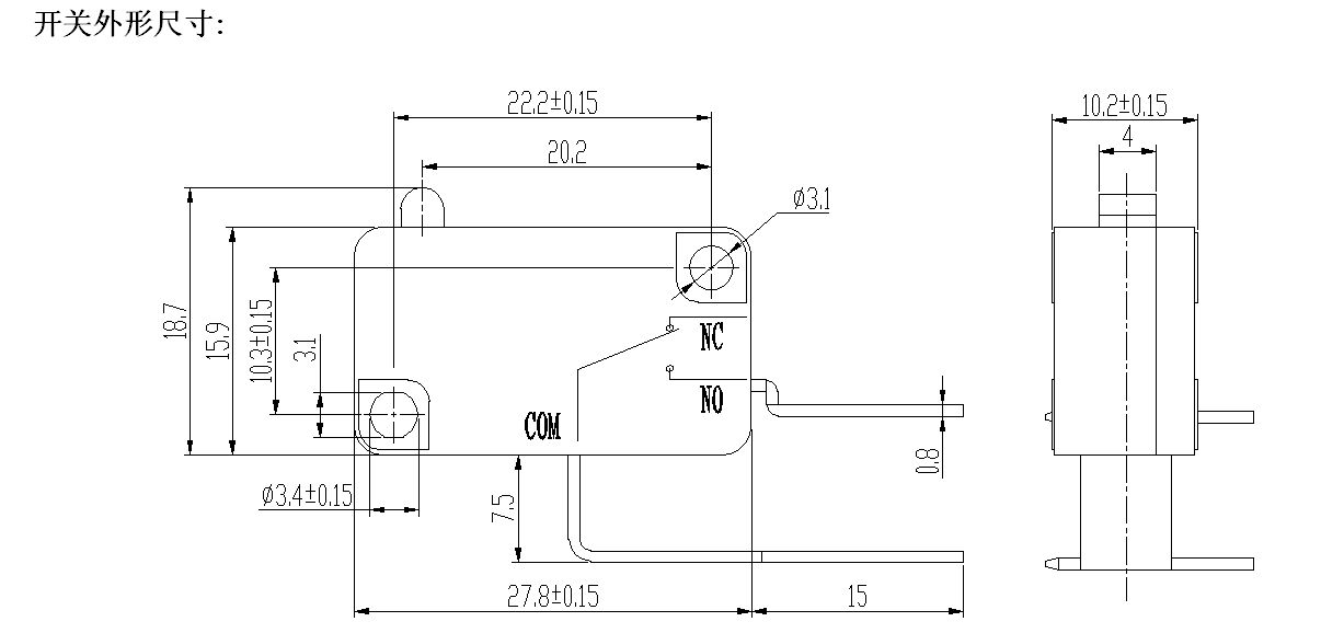
Параметр микропереключателя (спецификация)
| Технические характеристики переключателя: | |||
| ЭЛЕМЕНТ | Технические параметры | Ценить | |
| 1 | Электрические характеристики | 5(2)А/10А/16(3)А/21(8)А 250В переменного тока | |
| 2 | Контактное сопротивление | ≤30 мОм Начальное значение | |
| 3 | Сопротивление изоляции | ≥100 МОм (500 В постоянного тока) | |
| 4 |
Диэлектрик Напряжение |
Между неподключенные терминалы |
1000 В/0,5 мА/60 с |
|
Между терминалами и металлический каркас |
3000 В/0,5 мА/60 с | ||
| 5 | Электрическая жизнь | ≥50000 циклов | |
| 6 | Механическая жизнь | ≥1000000 циклов | |
| 7 | Рабочая температура | -25~125℃ | |
| 8 | Рабочая частота |
электрический: 15 циклов Механический: 60 циклов |
|
| 9 | Защита от вибрации |
Частота вибрации: 10 ~ 55 Гц; Амплитуда: 1,5 мм; Три направления: 1H |
|
| 10 |
Способность пайки: Более 80% погруженной части должен быть покрыт припоем |
Температура пайки: 235±5℃ Время погружения: 2~3S |
|
| 11 | Теплостойкость припоя |
Пайка погружением: 260±5℃ 5±1S Ручная пайка: 300±5℃ 2~3S |
|
| 12 | Сертификаты безопасности | UL, CSA, VDE, ENEC, TUV, CE, KC, CQC | |
| 13 | Условия испытаний |
Температура окружающей среды: 20±5℃ Относительная влажность: 65±5% относительной влажности. Давление воздуха: 86~106кПа |
|
Особенности и применение микропереключателя
Детали микропереключателя
