Независимый переключатель перемещения с двумя полюсами-это автоматический компонент управления, запускаемый механическим движением. Его основная функция состоит в том, чтобы обнаружить смещение или ход объекта для достижения открытия и закрытия цепей, начала и остановки оборудования или ограничения защиты. Это незаменимый «Страж безопасности» и «командир действий» в промышленной автоматизации и электромеханическом оборудовании.
Выключатель ВходUction
Переключатель движения (также известный как ограниченный переключатель) представляет собой автоматический компонент управления, запускаемый механическим движением. Его основная функция состоит в том, чтобы обнаружить смещение или ход объекта для достижения открытия и закрытия цепей, начала и остановки оборудования или ограничения защиты. Это незаменимый «Страж безопасности» и «командир действий» в промышленной автоматизации и электромеханическом оборудовании.
Выключатель Приложениене
Применение в домашних приборах и умном доме:
Стиральная машина:Ограниченный выключатель установлен на дверь фронтальной стиральной машины. Устройство начнется только тогда, когда дверь полностью закрыта, а переключатель активирует цепь, что предотвращает выброс утечки воды или одежду во время работы.
Холодильник/духовка:Когда дверь холодильника закрыта, выключатель запускается, чтобы выключить внутренний свет. И наоборот, если дверь духовки не будет надежно закрыта, переключатель будет сокращать питание на нагревательные элементы, чтобы предотвратить утечку тепла.
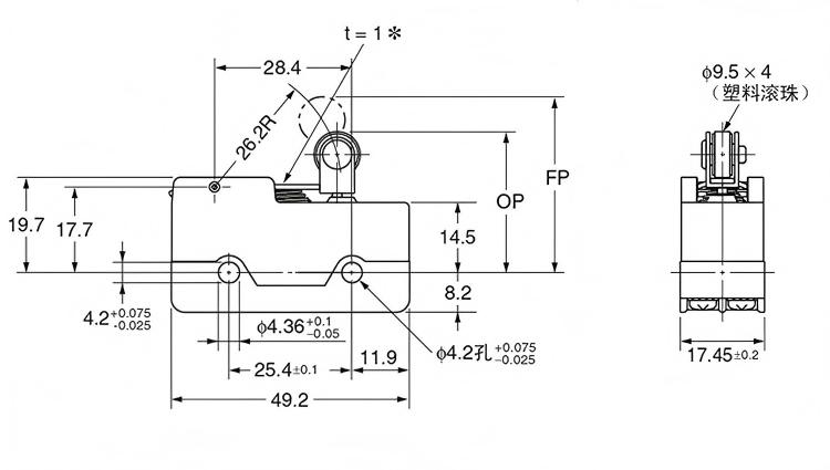
Выключатель Подробности
