Являясь эталонной моделью серии микропереключателей Yueqing Tongda Wire Electric Factory, нормально разомкнутый концевой выключатель для микроволновой печи HK-14 отличается «высокой чувствительностью, сверхдлительным сроком службы и возможностью адаптации к нескольким сценариям» в качестве своих основных преимуществ. Объединив 35-летний опыт компании в производстве переключателей, он стал ключевым компонентом управления в бытовой технике, автомобильной электронике, промышленной автоматизации и других областях благодаря минимальному зазору контактов и механизму быстрого действия. Его производительность и надежность были сертифицированы множеством авторитетных организаций по всему миру, что обеспечивает ему доминирующую позицию на нишевом рынке.
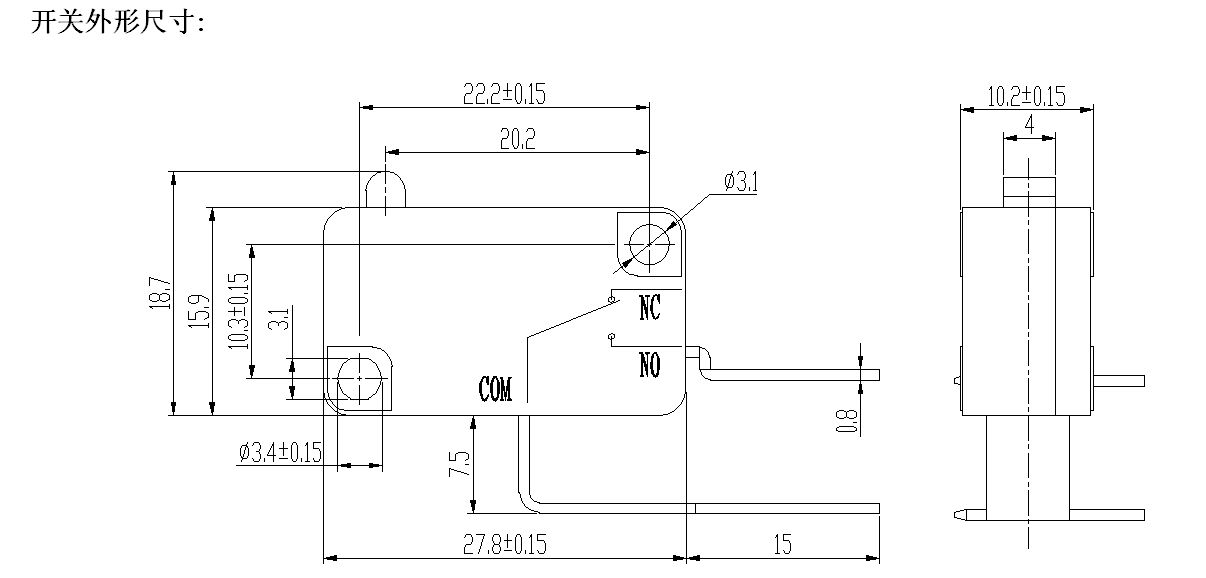
Введение в микропереключатель
Yueqing Tongda создала комплексную систему управления качеством, охватывающую весь процесс: «сырье – производство – готовая продукция». Серия HK-14 проходит 16 основных испытаний от складирования сырья до отгрузки готовой продукции, включая испытания на контактное сопротивление, испытания на характеристики изоляции, испытания на устойчивость к напряжению, испытания на цикличность высоких и низких температур, испытания на прочность при прессовании, испытания в солевом тумане, испытания на вибрацию и многое другое. Для каждой партии продукции случайным образом выбираются 3% для испытаний на разрушающие пределы, чтобы гарантировать 100% заводскую проходимость. Компания оснащена 20 полностью автоматизированными прецизионными производственными линиями, а также передовым испытательным оборудованием международного уровня (таким как координатно-измерительная машина Zeiss из Германии и тестер электрических характеристик Fluke из США) для обеспечения точности и стабильности работы продукции.
Типичные популярные модели и сценарии применения:
HK-14-1X-16A-P-200: Нормально открытый, 16 А, 250 В переменного тока, металлический шток привода ролика — подходит для контроля ограничения хода на производственных линиях промышленной автоматизации, конструкция ролика снижает механический износ.
HK-14-1-16AP-715: Нормально закрытый, 16 А, 250 В переменного тока, короткий шарнирный роликовый приводной стержень — подходит для точного срабатывания в медицинском испытательном оборудовании, нормально закрытая конструкция обеспечивает безопасность оборудования в выключенном состоянии.
HK-14-16AP-605: переключающего типа, 16 А, 250 В переменного тока, широкий диапазон температур — подходит для переключателей контроля температуры в аккумуляторных блоках транспортных средств на новых источниках энергии, широкий температурный диапазон -40°C~125°C подходит для экстремальных бортовых условий.
HK-14-1X-5A-320: Нормально открытый, 5 А, 250 В переменного тока, стержень привода кнопочного типа — подходит для дверных переключателей микроволновой печи, быстрое нажатие, высокий уровень безопасности.
Сценарии применения
Бытовая техника: Управление дверцей микроволновой печи, управление программами стиральной машины, регулировка скорости вентилятора кондиционера, обеспечение безопасной работы оборудования.
Промышленная автоматизация: позиционирование производственной линии, контроль пределов роботов, контроль запуска и остановки конвейера, повышение эффективности производства на 35%.
Автомобильная электроника: подъем стекол автомобиля, регулировка сиденья, датчик багажника, подходит для суровых условий эксплуатации автомобиля.
Медицинские устройства: управление хирургическим оборудованием, срабатывание сигнала прибора обнаружения, соответствие медицинским стандартам безопасности.
Военная промышленность: управление вооружением, коммутация устройств связи, адаптация к экстремальным условиям работы и высоким требованиям надежности.
Параметр микропереключателя (спецификация)
| Технические характеристики переключателя: | |||
| ЭЛЕМЕНТ | Технические параметры | Ценить | |
| 1 | Электрические характеристики | 5(2)А/10А/16(3)А/21(8)А 250В переменного тока | |
| 2 | Контактное сопротивление | ≤30 мОм Начальное значение | |
| 3 | Сопротивление изоляции | ≥100 МОм (500 В постоянного тока) | |
| 4 |
Диэлектрик Напряжение |
Между неподключенные терминалы |
1000 В/0,5 мА/60 с |
|
Между терминалами и металлический каркас |
3000 В/0,5 мА/60 с | ||
| 5 | Электрическая жизнь | ≥50000 циклов | |
| 6 | Механическая жизнь | ≥1000000 циклов | |
| 7 | Рабочая температура | -25~125℃ | |
| 8 | Рабочая частота |
электрический: 15 циклов Механический: 60 циклов |
|
| 9 | Защита от вибрации |
Частота вибрации: 10 ~ 55 Гц; Амплитуда: 1,5 мм; Три направления: 1H |
|
| 10 |
Способность пайки: Более 80% погруженной части должен быть покрыт припоем |
Температура пайки: 235±5℃ Время погружения: 2~3S |
|
| 11 | Теплостойкость припоя |
Пайка погружением: 260±5℃ 5±1S Ручная пайка: 300±5℃ 2~3S |
|
| 12 | Сертификаты безопасности | UL, CSA, VDE, ENEC, TUV, CE, KC, CQC | |
| 13 | Условия испытаний |
Температура окружающей среды: 20±5℃ Относительная влажность: 65±5% относительной влажности. Давление воздуха: 86~106кПа |
|
Особенности и применение микропереключателя
Детали микропереключателя

