Являясь эталонной моделью серии микропереключателей Yueqing Tongda Wire Electric Factory, высокотемпературный микропереключатель тока 16 А, 250 В HK-14 отличается «высокой чувствительностью, сверхдлительным сроком службы и возможностью адаптации к нескольким сценариям» в качестве своих основных преимуществ. Объединив 35-летний опыт компании в производстве переключателей, он стал ключевым компонентом управления в бытовой технике, автомобильной электронике, промышленной автоматизации и других областях благодаря минимальному зазору контактов и механизму быстрого действия. Его производительность и надежность были сертифицированы множеством авторитетных организаций по всему миру, что обеспечивает ему доминирующую позицию на нишевом рынке.
Введение в микропереключатель
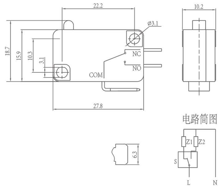
Серия HK-14 предоставляет очень гибкие возможности настройки для удовлетворения требований различных приложений. Рабочее усилие настраивается (менее 5,0 Н в безрычажном состоянии, обычно 30±15 гс) с диапазоном рабочего хода от 0,6 до 1,5 мм, что позволяет учитывать различные сценарии спускового усилия и смещения. Стили рычагов можно настраивать, включая прямые рычаги, изогнутые рычаги и роликовые рычаги, чтобы они подходили к различным конструкциям механической трансмиссии. Типы контактов включают SPDT (1НО+1НЗ), НО и НЗ, охватывающие весь диапазон, для удовлетворения требований единого управления, блокировки и других потребностей проектирования схем.
Рекомендации по установке и использованию
При установке переключатель необходимо установить на ровную поверхность и закрепить плоской или пружинной шайбой во избежание неисправности или повреждения корпуса из-за неровных поверхностей. Выбирайте модели в зависимости от окружающей среды: для влажных или пыльных условий рекомендуется использовать герметичную специальную версию для повышения защиты. Не наносите смазочное масло на кнопку или привод, чтобы предотвратить залипание контактов, функциональные сбои или даже перегорание. Во время хранения храните изделие в сухом, проветриваемом помещении, защищенном от дождя или снега, избегайте высоких температур и влажности, которые могут привести к старению компонентов, обеспечивая сохранение первоначальных характеристик изделия.
Параметр микропереключателя (спецификация)
| Технические характеристики переключателя: | |||
| ЭЛЕМЕНТ | Технические параметры | Ценить | |
| 1 | Электрические характеристики | 5(2)А/10А/16(3)А/21(8)А 250В переменного тока | |
| 2 | Контактное сопротивление | ≤30 мОм Начальное значение | |
| 3 | Сопротивление изоляции | ≥100 МОм (500 В постоянного тока) | |
| 4 |
Диэлектрик Напряжение |
Между неподключенные терминалы |
1000 В/0,5 мА/60 с |
|
Между терминалами и металлический каркас |
3000 В/0,5 мА/60 с | ||
| 5 | Электрическая жизнь | ≥50000 циклов | |
| 6 | Механическая жизнь | ≥1000000 циклов | |
| 7 | Рабочая температура | -25~125℃ | |
| 8 | Рабочая частота |
электрический: 15 циклов Механический: 60 циклов |
|
| 9 | Защита от вибрации |
Частота вибрации: 10 ~ 55 Гц; Амплитуда: 1,5 мм; Три направления: 1H |
|
| 10 |
Способность пайки: Более 80% погруженной части должен быть покрыт припоем |
Температура пайки: 235±5℃ Время погружения: 2~3S |
|
| 11 | Теплостойкость припоя |
Пайка погружением: 260±5℃ 5±1S Ручная пайка: 300±5℃ 2~3S |
|
| 12 | Сертификаты безопасности | UL, CSA, VDE, ENEC, TUV, CE, KC, CQC | |
| 13 | Условия испытаний |
Температура окружающей среды: 20±5℃ Относительная влажность: 65±5% относительной влажности. Давление воздуха: 86~106кПа |
|
Особенности и применение микропереключателя
Детали микропереключателя
