Являясь эталонной моделью серии микропереключателей Yueqing Tongda Wire Electric Factory, универсальный микропереключатель для рисоварки HK-14 16A 250 В переменного тока T125 Pentium Supor отличается «высокой чувствительностью, сверхдлительным сроком службы и возможностью адаптации к нескольким сценариям» в качестве своих основных преимуществ. Объединив 35-летний опыт компании в производстве переключателей, он стал ключевым компонентом управления в бытовой технике, автомобильной электронике, промышленной автоматизации и других областях благодаря минимальному зазору контактов и механизму быстрого действия. Его производительность и надежность были сертифицированы множеством авторитетных организаций по всему миру, что обеспечивает ему доминирующую позицию на нишевом рынке.
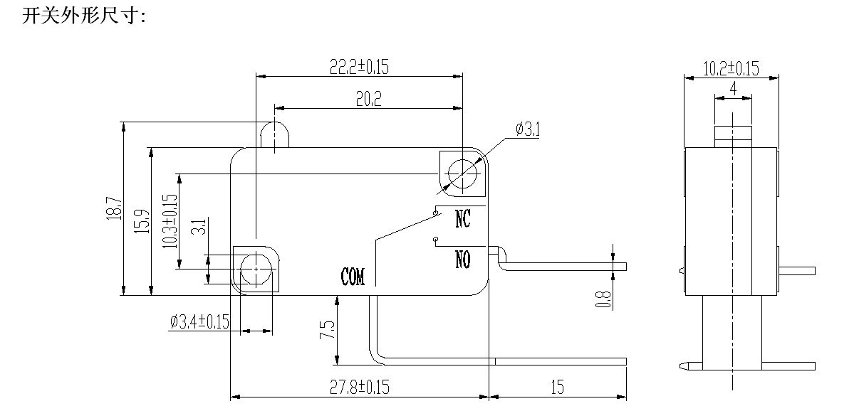
Введение в микропереключатель
HK-14 демонстрирует высокую конкурентоспособность по техническим характеристикам и особенно подходит для высокочастотного и высокоточного управления. Контакты изготовлены из высокопроводящих сплавов с начальным контактным сопротивлением ≤30 мОм, способны стабильно выдерживать ток от 5 А до 25 А и совместимы с различными сценариями напряжения, включая 125 В/250 В переменного тока и 12 В/24 В постоянного тока, удовлетворяя различные потребности в энергии, от небольшой бытовой техники до промышленного оборудования.
Что касается характеристик срабатывания, в изделии используется механизм мгновенного действия с рабочим ходом всего 0,5–1,6 мм и рабочим усилием, контролируемым в пределах 0,25–4 Н. Он обеспечивает быструю реакцию на срабатывание и четкую обратную связь, эффективно избегая проблем «ложного срабатывания» и «задержки срабатывания». Срок службы намного превышает отраслевые нормы: механический срок службы превышает 1 миллион циклов, а электрический срок службы достигает более 50 000 циклов, что обеспечивает долгосрочную стабильную работу в сценариях высокочастотного использования, таких как микроволновые печи и автомобильная электроника.
Адаптивность к окружающей среде не менее впечатляет. Продукт может работать в широком диапазоне температур от -25 ℃ до 125 ℃, проходить трехосное испытание на вибрацию при частоте 10–55 Гц с амплитудой 1,5 мм, поддерживать сопротивление изоляции ≥ 100 МОм (500 В постоянного тока) и выдерживать напряжение 1000 В переменного тока между клеммами, обеспечивая стабильную работу даже в условиях вибрации в промышленных цехах или в высокотемпературных условиях моторного отсека автомобиля.
Опираясь на систему полного контроля качества Leqing Tongda, HK-14 проходит многочисленные строгие испытания от сырья до готовой продукции:
Испытание сырья: спектральный анализ контактного материала, испытания пружин на эластичность и усталость, а также испытания корпуса на устойчивость к старению для обеспечения соответствия основных компонентов автомобильным стандартам;
Производственные испытания: полностью автоматизированные прецизионные сборочные линии, оснащенные системами визуального контроля, контролирующими основные погрешности размеров в пределах ± 0,01 мм для обеспечения постоянной точности срабатывания;
Испытание готовой продукции: 100 % успешность прохождения 10 тестов, включая циклические испытания при высоких и низких температурах (от -40 ℃ до 120 ℃), 48-часовую коррозию в солевом тумане, миллионы циклов прессования, испытания на вибрацию и удар.
Параметр микропереключателя (спецификация)
| Технические характеристики переключателя: | |||
| ЭЛЕМЕНТ | Технические параметры | Ценить | |
| 1 | Электрические характеристики | 5(2)А/10А/16(3)А/21(8)А 250В переменного тока | |
| 2 | Контактное сопротивление | ≤30 мОм Начальное значение | |
| 3 | Сопротивление изоляции | ≥100 МОм (500 В постоянного тока) | |
| 4 |
Диэлектрик Напряжение |
Между неподключенные терминалы |
1000 В/0,5 мА/60 с |
| Между терминалами и металлический каркас |
3000 В/0,5 мА/60 с | ||
| 5 | Электрическая жизнь | ≥50000 циклов | |
| 6 | Механическая жизнь | ≥1000000 циклов | |
| 7 | Рабочая температура | -25~125℃ | |
| 8 | Рабочая частота | электрический: 15 циклов Механический: 60 циклов |
|
| 9 | Защита от вибрации | Частота вибрации: 10 ~ 55 Гц; Амплитуда: 1,5 мм; Три направления: 1H |
|
| 10 | Способность пайки: Более 80% погруженной части должен быть покрыт припоем |
Температура пайки: 235±5℃ Время погружения: 2~3S |
|
| 11 | Теплостойкость припоя | Пайка погружением: 260±5℃ 5±1S Ручная пайка: 300±5℃ 2~3S |
|
| 12 | Сертификаты безопасности | UL, CSA, VDE, ENEC, TUV, CE, KC, CQC | |
| 13 | Условия испытаний | Температура окружающей среды: 20±5℃ Относительная влажность: 65±5% относительной влажности. Давление воздуха: 86~106кПа |
|
Особенности и применение микропереключателя
Детали микропереключателя

