Являясь типичным продуктом кабельной электростанции Yueqing Tongda, который воплощает в себе интеграцию базовой стандартизации и индивидуальной настройки, газовый водонагреватель и микровыключатель газовой плиты разработаны с учетом основных принципов «стабильности, надежности и совместимости со сценами». Он включает в себя 35-летний опыт компании в производстве переключателей, позволяющий добиться многократной оптимизации электрических характеристик, уровней защиты и удобства использования. Переключатель широко применим в таких сценариях, как распределение электроэнергии в умном доме, промышленное вспомогательное оборудование и небольшие медицинские инструменты, что делает его предпочтительным компонентом управления цепями, который сочетает универсальность с возможностью индивидуальной настройки.
МикропереключательВведение
Переключатель HK-04G-L ориентирован на практические требования к ключевым параметрам и соответствует базовым стандартам управления для различных сценариев. Контакты изготовлены из сплава серебро-олово и обработаны прецизионной сваркой, с начальным контактным сопротивлением ≤8 мОм. Он может надежно выдерживать переменный ток силой 10–16 А (номинальное напряжение 250 В переменного тока), подходит для питания большинства бытовых и небольших промышленных устройств, эффективно предотвращая проблемы перегрева или эрозии контактов, вызванные перегрузкой по току.
Спусковой крючок и срок его службы одинаково надежны: он использует спусковой крючок кулисного типа с ходом нажатия 1,3–1,6 мм и рабочим усилием, контролируемым в пределах 1,5–3 Н. Обратная связь при активации четкая и плавная, поэтому при повседневном использовании вряд ли возникнут «неотзывчивые нажатия». Механический срок службы достигает 80 000 циклов прессования, а электрический срок службы превышает 50 000 циклов. В устройствах с высокой частотой использования, таких как холодильники, небольшие вентиляторы и коммерческие принтеры, он может обеспечить стабильную работу в течение 3-5 лет.
Адаптивность к окружающей среде соответствует требованиям традиционного сценария: изделие работает в диапазоне температур от -30°C до 80°C, способно выдерживать низкие температуры северной зимой и условия рассеивания тепла летом; Сопротивление изоляции составляет ≥50 МОм (500 В постоянного тока), а выдерживаемое напряжение на клеммах достигает 800 В переменного тока, что соответствует электрическим стандартам безопасности для бытового и коммерческого использования. Кроме того, корпус изготовлен из огнестойкого материала ABS (соответствует UL94 V-1), что снижает риски безопасности, вызванные короткими замыканиями в цепи.
МикропереключательПриложение
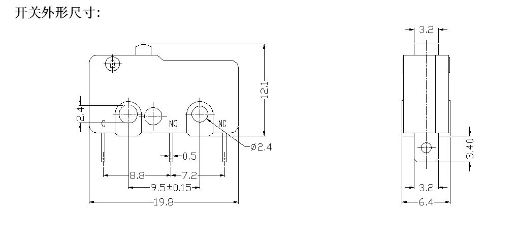
В сценариях «умного дома» и домашнего хозяйства HK-04G-L благодаря своим компактным размерам (приблизительно 20×15×10 мм, Д×Ш×В) может быть легко интегрирован в интеллектуальные распределительные коробки, настенные розетки и панели управления небольшой бытовой техникой. В настоящее время он стал компонентом, используемым многими отечественными брендами умного дома для таких функций, как управление освещением и переключение питания приборов. Один бренд сообщил, что частота отказов продуктов, оснащенных им, на 40% ниже, чем у традиционных переключателей.
В небольших промышленных и коммерческих целях продукт подходит для управления питанием небольшого конвейерного оборудования, коммерческих кофемашин, офисных принтеров и других устройств. Оптимизируя структуру клеммных соединений, он обеспечивает быструю установку проводки, повышая эффективность сборки устройства. Ранее версия, изготовленная по индивидуальному заказу для производителя коммерческого оборудования, благодаря регулировке расстояния между клеммами отвечала требованиям к компактной внутренней проводке их оборудования, повышая эффективность установки на 25%.
Микропереключатель Спецификация
| Технические характеристики переключателя: | |||
| ЭЛЕМЕНТ | Технические параметры | Ценить | |
| 1 | Электрические характеристики | 5(2)А 125В/250В переменного тока 10(3)125В/250В переменного тока | |
| 2 | Контактное сопротивление | ≤50 мОм Исходное значение | |
| 3 | Сопротивление изоляции | ≥100 МОм (500 В постоянного тока) | |
| 4 |
Диэлектрик Напряжение |
Между неподключенные терминалы |
500 В/0,5 мА/60 с |
| Между терминалами и металлический каркас |
1500 В/0,5 мА/60 с | ||
| 5 | Электрическая жизнь | ≥10000 циклов | |
| 6 | Механическая жизнь | ≥100000 циклов | |
| 7 | Рабочая температура | -25~125℃ | |
| 8 | Рабочая частота | Электрический: 15 циклов Механический: 60 циклов |
|
| 9 | Защита от вибрации | Частота вибрации: 10 ~ 55 Гц; Амплитуда: 1,5 мм; Три направления: 1H |
|
| 10 | Способность пайки: Более 80% погруженной части должен быть покрыт припоем |
Температура пайки: 235±5℃ Время погружения: 2~3S |
|
| 11 | Теплостойкость припоя | Пайка погружением: 260±5℃ 5±1S Ручная пайка: 300±5℃ 2~3S |
|
| 12 | Сертификаты безопасности | UL, CSA, VDE, ENEC, CE | |
| 13 | Условия испытаний | Температура окружающей среды: 20±5℃ Относительная влажность: 65±5% относительной влажности. Давление воздуха: 86~106кПа |
|
Тонгда Провод Электрик Встроенный выключатель питания Micro USB Подробности

